欢迎进入宁波市镇海甬衡计量设备有限公司官网!
中文版
|
英文版
首页
数字汽车衡(地磅)
系统组成
选型指南
生产设备及流程
产品特点
重要配件
称重系统类
物联网系统
无人值守系统
配料称重系统
称重元器件分类
传感器
仪表
其他配件
新闻动态
技术支持
公司案例
走进甬衡
联系我们
当前位置:
首页
» 料灌化工业传感器
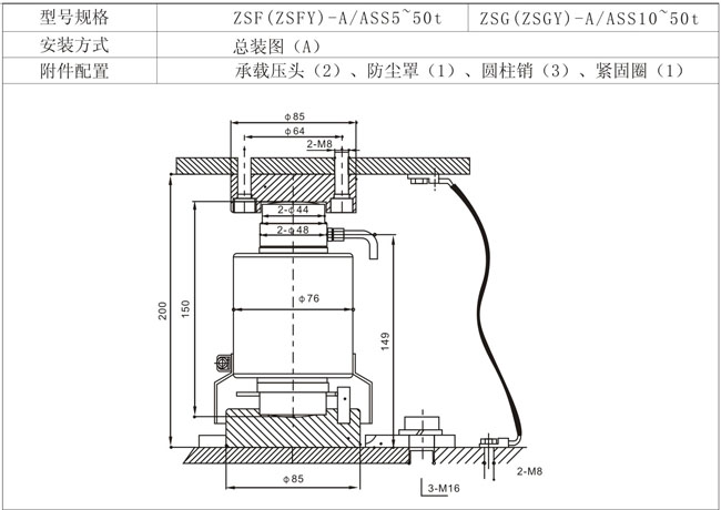
ZSF静动态称重模块
文章出处:
admin
发表时间:2017-04-18【
大
中
小
】
下一篇:
HSX称重模块
上一篇:
NHS称重模块
关键字:
相关资讯
什么影响电子吊秤的准确度
电子汽车衡的现状发展
教你怎样尽量避免电子吊秤的误差
现场服务安全措施
现场服务安全措施
现场服务安全措施
汽车衡为什么要用数字传感器
装载机电子秤故障解决办法
教您如何检修电子秤
电子地磅动态调试的注意事项
水泥地磅的优势
电子地磅怎么调试?
电子地磅三大主件的维护
地磅接地网施工有哪些方法
地磅频繁死机的自检方法
电子地磅的快速调试方法
地磅保养注意要点
地磅维修-地磅不归零故障的解决方法
电子地磅结构组成和工作原理
电子地磅屏幕故障的解决方法- 宁波地磅维修
宁波地磅厂家-电子地磅称怎么调试?
电子汽车衡选购指南有哪些?
推荐产品
地磅数字汽车衡
关于甬衡
荣誉证书
设备及生产流程
合作客户
甬衡新闻
行业动态
品牌优势
衡器流程
客户动态
技术支持
资料下载
常见问题解答
公司技术人员
公司案例
现场图片
现场应用说明
中铁十一局
联系我们
全国咨询热线:
联系人:陈先生
手 机:15867390241
电 话:86 0574 86572238
传 真:86 0574 86572239